關鍵詞:
J-W型柱塞式計量泵
產品描述:性能特點(1)流量可達44L/h,壓力可達6.4Mpa;(2)安裝簡單、操作簡便(3)計量 ,0-100%可動態調節;(4)抗化學腐蝕性強;(5)適用于凈化,污水處理,實驗室,化驗室和其他各種小計量加液
詳細介紹:
性能特點
(1)流量可達44L/h,壓力可達6.4Mpa;
(2)安裝簡單、操作簡便
(3)計量 ,0-100%可動態調節;
(4)抗化學腐蝕性強;
(5)適用于凈化,污水處理,實驗室,化驗室和其他各種小計量加液
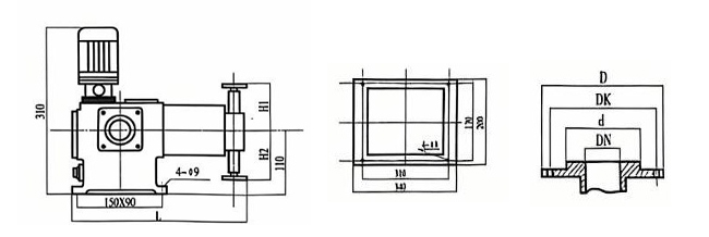
技術參數
型號規格 | 流量 (L/h) | 壓力 (Mpa) | 安裝尺寸(mm) | ||||||
DN | D | K | d | H1 | H2 | L | |||
J-W-0.4/6.4 | 0.4 | 6.4 |
3.5 |
122 |
122 | ||||
J-W-0.8/6.4 | 0.8 | 6.4 | |||||||
J-W-1.0/4.0 | 1.0 | 4.0 | |||||||
J-W-2.0/4.0 | 2.0 | 4.0 | |||||||
J-W-3.0/2.5 | 3.0 | 2.5 | |||||||
J-W-4.0/2.5 | 4.0 | 2.5 | |||||||
J-W-3.2/1.6 | 3.2 | 1.6 | |||||||
J-W-6.4/1.6 | 6.4 | 1.6 |
7 |
142 |
142 | ||||
J-W-5.0/1.0 | 5.0 | 1.0 | |||||||
J-W-10/1.0 | 10 | 1.0 | |||||||
J-W-9/0.6 | 9 | 0.6 | |||||||
J-W-18/0.6 | 18 | 0.6 | |||||||
J-W-14/0.4 | 14 | 0.4 | |||||||
J-W-28/0.4 | 28 | 0.4 | |||||||
J-W-22/0.2 | 22 | 0.2 | |||||||
J-W-44/0.2 | 44 | 0.2 | |||||||
電機功率:0.25KW 轉速:1400r/min
安裝尺寸(mm)

- 上一篇: J-X型柱塞式計量泵
- 下一篇: J-T型柱塞式計量泵
推薦信息
- 12/11/2025 | J-W型柱塞式計量泵
- 12/11/2025 | J-D型柱塞式計量泵
- 12/11/2025 | J-T型柱塞式計量泵
- 12/11/2025 | 2J-X型柱塞式計量泵
- 12/11/2025 | 2J-D型柱塞式計量泵
- 12/11/2025 | 2J-T型柱塞式計量泵
- 12/11/2025 | J-Z型柱塞式計量泵
- 12/11/2025 | J-X型柱塞式計量泵




