J-DM型液壓平衡隔膜計量泵
產品描述:性能特點(1)排量大至3000L/h,壓力高達64Mpa;(2)合理的外型設計,使安裝更加方便;(3)獨特的三閥裝置,確保流量高壓輸送更趨平衡;(4)內可設多種材質隔膜,可輸送更多不同性能的介質
詳細介紹:
性能特點
(1)排量大至3000L/h,壓力高達64Mpa;
(2)合理的外型設計,使安裝更加方便;
(3)獨特的三閥裝置,確保流量高壓輸送更趨平衡;
(4)內可設多種材質隔膜,可輸送更多不同性能的介質
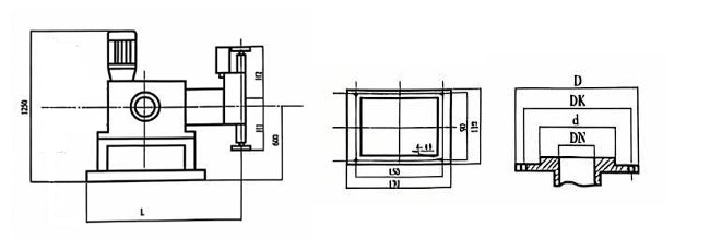
技術參數
型號規格 | 流量 (L/h) | 壓力 (Mpa) | 安裝尺寸(mm) | ||||||
DN | D | K | d | H1 | H2 | L | |||
J-DM-8/64 | 8 | 64 | 8 | 90 | 60 | 41 | 159 | 210 | |
J-DM-12/50 | 12 | 50 | |||||||
J-DM-14/40 | 14 | 40 | |||||||
J-DM-22/32 | 22 | 32 | 10 | 90 | 60 | 41 | 159 | 210 | |
J-DM-27/25 | 27 | 25 | |||||||
J-DM-40/25 | 40 | 25 | |||||||
J-DM-45/20 | 45 | 20 | |||||||
J-DM-65/20 | 65 | 20 | |||||||
J-DM-70/16 | 70 | 16 | 12 | 95 | 66.5 | 46 | 314 | 254 | |
J-DM-105/16 | 105 | 16 | |||||||
J-DM-120/10 | 120 | 10 | |||||||
J-DM-180/10 | 180 | 10 | |||||||
J-DM-195/8.0 | 195 | 8.0 | 16 | 105 | 85 | 56 | 320 | 400 | |
J-DM-290/6.4 | 290 | 6.4 | |||||||
J-DM-340/5.0 | 340 | 5.0 | |||||||
J-DM-460/4.0 | 460 | 4.0 | |||||||
J-DM-500/3.2 | 500 | 3.2 | 26 | 115 | 95 | 65 | 330 | 420 | |
J-DM-750/2.0 | 750 | 2.0 | |||||||
J-DM-830/1.6 | 830 | 1.6 | |||||||
J-DM-1250/1.3 | 1250 | 1.3 | |||||||
J-DM-1050/1.0 | 1050 | 1.0 | 35 | 135 | 100 | 78 | 340 | 430 | |
J-DM-1550/1.0 | 1550 | 1.0 | |||||||
J-DM-1340/0.8 | 1340 | 0.8 | 50 | 160 | 125 | 100 | 440 | 500 | |
J-DM-2000/0.5 | 2000 | 0.5 | |||||||
J-DM-3000/0.5 | 3000 | 0.5 | |||||||
電機功率:2.2-3KW 轉速:1400r/min
安裝尺寸(mm)

- 上一篇: J-TM型液壓平衡隔膜計量泵
- 下一篇: 2J-XM型液壓平衡隔膜計量泵
推薦信息
- 12/11/2025 | 2J-XM型液壓平衡隔膜計量泵
- 12/11/2025 | J-TM型液壓平衡隔膜計量泵
- 12/11/2025 | J-ZM型液壓平衡隔膜計量泵
- 12/11/2025 | 2J-TM型液壓平衡隔膜計量泵
- 12/11/2025 | J-WM型液壓平衡隔膜計量泵
- 12/11/2025 | J-DM型液壓平衡隔膜計量泵
- 12/11/2025 | 2J-DM型液壓平衡隔膜計量泵
- 12/11/2025 | J-XM型液壓平衡隔膜計量泵




