2J-DM型液壓平衡隔膜計量泵
產品描述:性能特點(1)雙缸設計,可同時輸送兩種化學性質不同的液體;(2)良好的“三明治”雙隔膜泄漏檢測,避免了危險生物料泄漏可能;(3)排量可大到6200L/h,高壓可達64Mpa;(4)合理的結構,減少輸送對脈沖的要求。
詳細介紹:
性能特點
(1)雙缸設計,可同時輸送兩種化學性質不同的液體;
(2)良好的“三明治”雙隔膜泄漏檢測,避免了危險生物料泄漏可能;
(3)排量可大到6200L/h,高壓可達64Mpa;
(4)合理的結構,減少輸送對脈沖的要求。
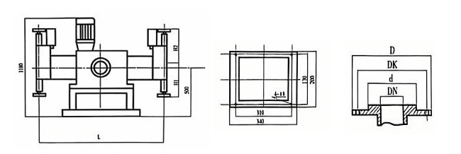
技術參數
型號規格 | 流量 (L/h) | 壓力 (Mpa) | 安裝尺寸(mm) | ||||||
DN | D | K | d | H1 | H2 | L | |||
2J-DM-22/64 | 22 | 64 |
8 |
90 |
60 |
41 |
155 |
195 |
1100 |
2J-DM-33/64 | 33 | .64 | |||||||
2J-DM-32/50 | 32 | 50 | |||||||
2J-DM-48/50 | 48 | 50 | |||||||
2J-DM-56/40 | 56 | 40 | |||||||
2J-DM-84/40 | 84 | 40 | |||||||
2J-DM-96/32 | 96 | 32 |
10 |
90 |
60 |
41 |
162 |
202 |
1100 |
2J-DM-144/25 | 144 | 25 | |||||||
2J-DM-150/25 | 150 | 25 | |||||||
2J-DM-224/20 | 224 | 20 | |||||||
2J-DM-244/16 | 244 | 16 |
12 |
95 |
66 |
46 |
198 |
198 |
1120 |
2J-DM-366/12.5 | 366 | 12.5 | |||||||
2J-DM-400/10 | 400 | 10 | |||||||
2J-DM-600/10 | 600 | 10 | |||||||
2J-DM-636/6.4 | 636 | 6.4 |
16 |
105 |
85 |
56 |
214 |
254 |
1120 |
2J-DM-954/6.4 | 954 | 6.4 | |||||||
2J-DM-1040/5.0 | 1040 | 5.0 | |||||||
2J-DM-1560/4.0 | 1560 | 4.0 | |||||||
2J-DM-1720/3.2 | 1720 | 3.2 | |||||||
2J-DM-2560/2.5 | 2560 | 2.5 | 26 | 115 | 85 | 65 | 205 | 245 | 1260 |
2J-DM-2160/2.0 | 2160 | 2.0 | |||||||
2J-DM-3240/1.6 | 3240 | 1.6 | |||||||
2J-DM-2770/1.6 | 2770 | 1.6 | |||||||
2J-DM-4150/1.0 | 4150 | 1.0 | 35 | 135 | 98 | 75 | 240 | 280 | 1350 |
2J-DM-6200/0.5 | 6200 | 0.5 | |||||||
電機功率:2.2-3KW 轉速:1400r/min
安裝尺寸(mm)

- 上一篇: 2J-TM型液壓平衡隔膜計量泵
- 下一篇: 一篇
推薦信息
- 12/11/2025 | J-XM型液壓平衡隔膜計量泵
- 12/11/2025 | J-DM型液壓平衡隔膜計量泵
- 12/11/2025 | 2J-XM型液壓平衡隔膜計量泵
- 12/11/2025 | 2J-DM型液壓平衡隔膜計量泵
- 12/11/2025 | J-TM型液壓平衡隔膜計量泵
- 12/11/2025 | J-ZM型液壓平衡隔膜計量泵
- 12/11/2025 | 2J-TM型液壓平衡隔膜計量泵
- 12/11/2025 | J-WM型液壓平衡隔膜計量泵




